Decanting Pump TSURUMI FHP Series pump filter (Decanting Pump) is a device for measuring floating sludge (Sludge) pump is able to drain the fluid between the floating silt and sediment to settle.Designed to be connected to the pipeline, with sizes ranging from 40-80 mm.
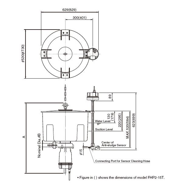
The FHP Series is a floating decanter designed for discharging supernatant liquid in SBR. It consists of a submersible pump, sludge sensor, and a float.The sludge sensor is a monitoring device that prevents unexpected inflow of sludge or other sediment and helps the pump solely discharge supernatant liquid. When the pump is not in operation, a check ball incorporated in the intake closes the suction opening by buoyancy, thus preventing the inflow of floating sludge into the suction casing.
| Discharge Bore | Model | Motor Output | Phase | Starting Method | Cable Leng |
| (mm) | (kW) | (m) | |||
| 40 | TSURUMI FHP3-3 | 0.25 | 1-phase | Capacitor Start | 6 |
| 40 | TSURUMI FHP3-3T | 0.25 | 3-phase | D.O.L. | 6 |
| 50 | TSURUMI FHP2-4 | 0.4 | 1-phase | Capacitor Start | 6 |
| 50 | TSURUMI FHP2-4T | 0.4 | 3-phase | D.O.L. | 6 |
| 50 | TSURUMI FHP4-8T | 0.75 | 3-phase | D.O.L. | 6 |
| 80 | TSURUMI FHP2-15T | 1.5 | 3-phase | D.O.L. | 6 |
| Model | A | B |
| TSURUMI FHP3-3 | 800 | 40 |
| TSURUMI FHP3-3T | 765 | 40 |
| TSURUMI FHP2-4 | 800 | 50 |
| TSURUMI FHP2-4T | 765 | 50 |
| TSURUMI FHP4-8T | 818 | 50 |
| TSURUMI FHP2-15T | 982 | 80 |









